Motor Control Circuits
Elade Forwa
20/11/2025
10.0
1 بررسی ها
12.2 MB
اندازه فایل
Everyone
Android 6.0+
Android OS
دربارهی Motor Control Circuits
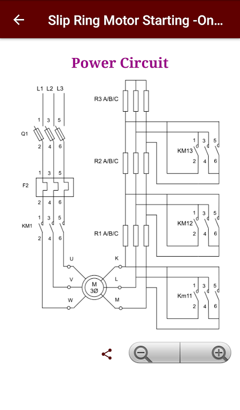
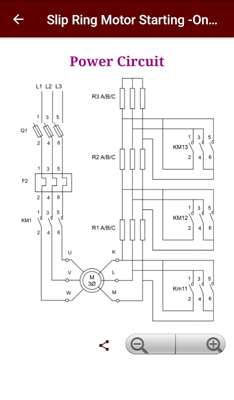
کنترل و قدرت های زنجیره ای برای تمام روش های شروع شده است.
موتور روش شروع یک برنامه تلفن همراه به افراد اختصاص داده شده در زمینه فن آوری های الکتریکی برای کمک به آنها در درک روش های مختلف برای شروع موتور القایی استفاده است.
برای استفاده از این برنامه، یک فن آوری های اساسی دانش الکتریکی توصیه می شود.
این نرم افزار در سه زبانه جداگانه ساخت یافته (همه مدارها، علامت تک فاز، سه فاز علامت)
تمام زبانه مدار که شامل یک لیست جزئیات از مدارهای مختلف با شروع توضیحی برای هر روش.
دو زبانه های دیگر شامل یک لیست از تک فاز و سه فاز نماد از تمام دستگاه های در هر دو اتحادیه اروپا و آمریکا / می توانید استانداردهای مورد استفاده قرار در نرم افزار.
جدیدترین 2.0 چه خبر است
Last updated on 2025-11-21
Redesigned the entire app
Updated the app to be compatible with latest android devices.
Updated the app to be compatible with latest android devices.
اطلاعات Motor Control Circuits APK
آخرین نسخه
2.0
دسته بندی
آموزشAndroid OS
Android 6.0+
اندازه فایل
12.2 MB
توسعه دهنده
Elade Forwaرتبهبندی محتوا
Everyone
ایمن و سریع APK دانلود در APKPure
APKPure از تأیید امضای نرمافزار برای اطمینان از دانلودهای بدون ویروس APK Motor Control Circuits استفاده میکند.
نسخههای قدیمی Motor Control Circuits
Motor Control Circuits 2.0
12.2 MB20/11/2025
Motor Control Circuits 1.6
17.2 MB11/08/2025
Motor Control Circuits 1.4
9.4 MB05/04/2025
Motor Control Circuits 1.3.0
5.2 MB23/09/2019
دانلود فوق سریع و ایمن از طریق برنامه APKPure
برای نصب فایل های XAPK/APK در اندروید با یک کلیک!







