Motor Control Circuits

Motor Control Circuits

Elade Forwa
2025年11月21日

Trusted App

  • 10.0

    1 評論

  • 12.2 MB

    文件大小

  • Everyone

  • Android 6.0+

    Android OS

關於Motor Control Circuits

所有啟動方法控制和電源電路。

電動機起動方法是專門為個人電子技術領域,幫助他們了解各種方法用於啟動異步電動機的移動應用程序。

要使用這個應用程序,建議的基本知識電子技術。

本申請的結構中,以三個獨立的翼片(所有電路,單相的符號,三相符號)

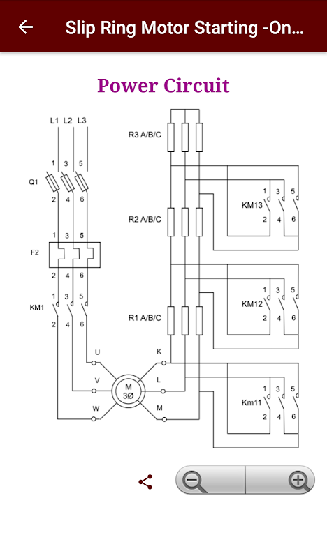
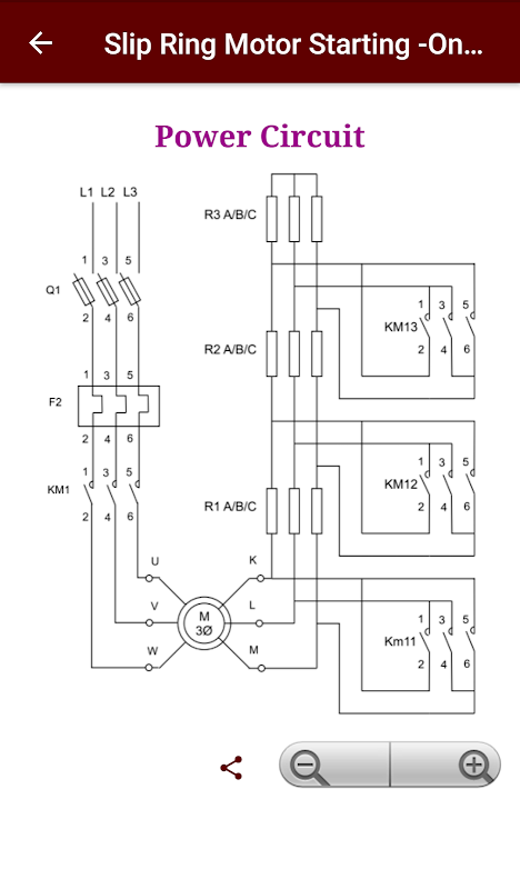
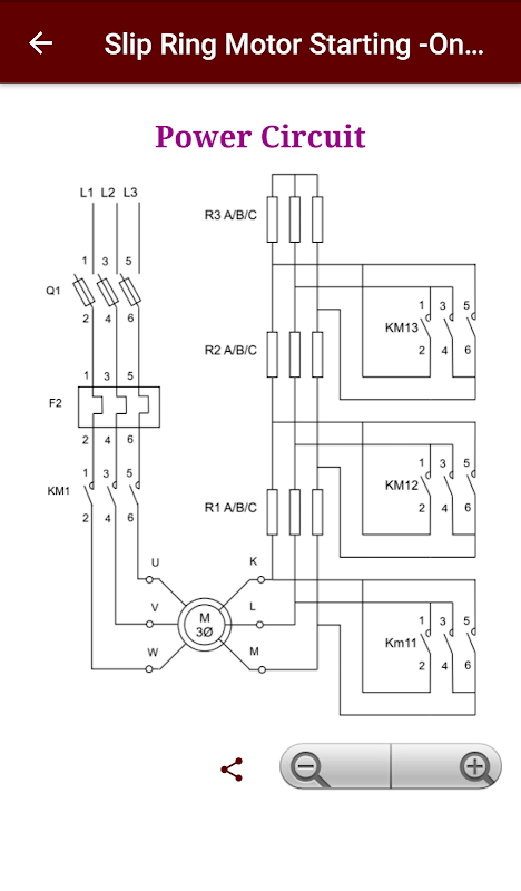
所有接線片包含具有說明用於每個方法的各種起始電路的列表詳圖。

另外兩個選項卡包含單相和在歐盟和美國的所有設備的三相符號列表/可在應用程序分別採用的標準。

更多

最新版本2.0的更新日誌

Last updated on 2025年11月21日
Redesigned the entire app
Updated the app to be compatible with latest android devices.
更多

視頻和屏幕截圖

  • Motor Control Circuits 海報
  • Motor Control Circuits 截圖 1
  • Motor Control Circuits 截圖 2
  • Motor Control Circuits 截圖 3
  • Motor Control Circuits 截圖 4
  • Motor Control Circuits 截圖 5
  • Motor Control Circuits 截圖 6
  • Motor Control Circuits 截圖 7

Motor Control Circuits APK信息

最新版本
2.0
類別
教育
Android OS
Android 6.0+
文件大小
12.2 MB
開發者
Elade Forwa
Available on
內容分級
Everyone
在APKPure安全快速地下載APK
APKPure 使用簽章驗證功能,確保為您提供無病毒的 Motor Control Circuits APK 下載。

Motor Control Circuits歷史版本

APKPure 圖標

在APKPure極速安全下載應用程式

一鍵安裝安卓XAPK/APK文件!

下載 APKPure
thank icon
We use cookies and other technologies on this website to enhance your user experience.
By clicking any link on this page you are giving your consent to our Privacy Policy and Cookies Policy.
Learn More about Policies